Zilvertron
  • Multidisciplinaire engineering
    • Klantspecifieke oplossingen
  • Motoren en vertragingen
    • Motoren
      • Alle motoren
      • AC Motoren
      • DC Motoren
    • Losse vertragingen
      • Haaks
      • In lijn
  • Versterkers, Controllers en HMI
    • Alle producten
    • Versterkers
    • Versterker + controller
    • HMI
    • PLC
  • Toebehoren
    • Alle producten
    • Din-rail
    • Kabels
    • Interfaces
    • Converters
    • Shunt regelaars
    • Uitgaande assen
    • Voedingen
  • Contact
    • Contact
    • Over Zilvertron
    • Vacatures
  • Offertemap
  • Menu
Whatsapp mij Whatsapp mij Mail mij

Bedankt voor uw keuze

Product is toegevoegd aan de offertemap!

Offertemap bekijken Of verder kijken

Product toevoegen

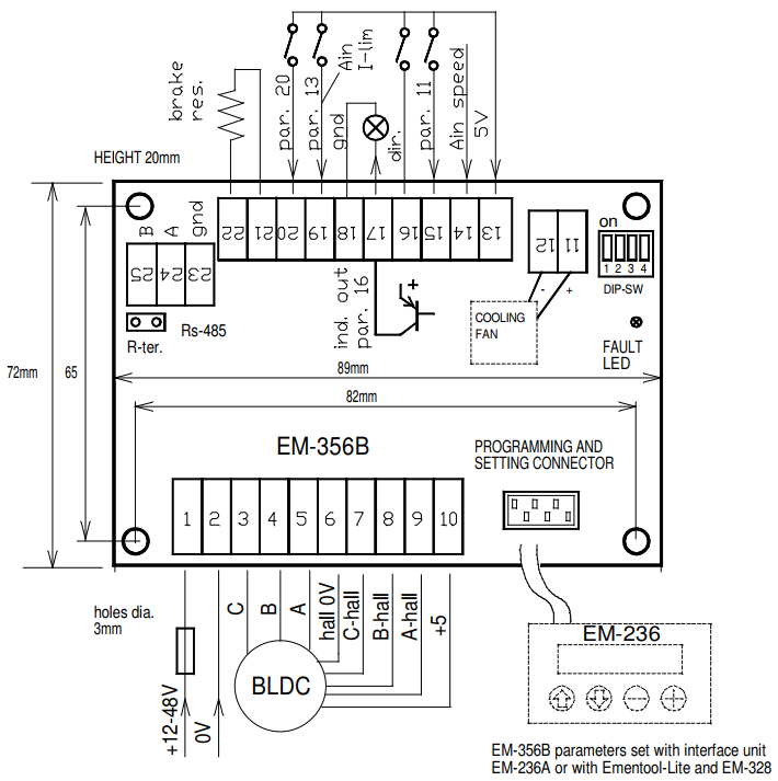
EM-356B

Electromen EM-356B, PWM-gebaseerde regelaar voor borstelloze motoren met Hall-sensor feedback. Universeel inzetbaar met o.a. traploos instelbare snelheid, acceleratie, deceleratie en stroombegrenzing. Instelbaar via EM-236A of PC software.

Product info
Assortiment
Downloads
Dimensies
Meer weten?
ArtikelEM-356B
CategorieDC-borstelloos
Elektrisch vermogen nominaal360 W
Elektrisch vermogen maximaal960 W
Voedingsspanning minimaal12 V
Voedingsspanning maximaal24 V
Voedingsspanning nominaal24 V
Stroom nominaal15 A
Stroom piek40 A
Kwadrant4
CommunicatieModbus
Digitale inputs4
Digitale outputs3
Zilvertron artikelnummer6004491
Datasheet
Software
Ementool_Handleiding_Zilvertron.pdf

Het aansturen van de motor hangt volledig af van de toepassing. Zilvertron levert controllers, drivers en versterkers voor servomotoren, borstel- en borstelloze motoren en stappen motoren. Voor de communicatie is er een grote verscheidenheid aan protocollen zoals EtherCAT, CANopen, Ethernet ect. DC controllers AC controllers en alle soorten aandrijving voor elektromotoren zijn te vinden bij Zilvertron. Meer weten over onze producten of kennis? Neem contact met ons op!

Gerelateerde producten

Interface
EM-328-ISO

PC dongel t.b.v. de Electromen controllers

meer weten
Interface
EM-236A

Interface t.b.v. de Electromen controllers

meer weten
© Copyright Zilvertron B.V. - De Smaragd 15 Schoonhoven - +31 (0)182 305 045 - info@zilvertron.com
EM-247C F122-D1608T
Scroll naar bovenzijde