Bedankt voor uw keuze
Product is toegevoegd aan de offertemap!

Product is toegevoegd aan de offertemap!
Het aansturen van de motor hangt volledig af van de toepassing. Zilvertron levert controllers, drivers en versterkers voor servomotoren, borstel- en borstelloze motoren en stappen motoren. Voor de communicatie is er een grote verscheidenheid aan protocollen zoals EtherCAT, CANopen, Ethernet ect. DC controllers AC controllers en alle soorten aandrijving voor elektromotoren zijn te vinden bij Zilvertron. Meer weten over onze producten of kennis? Neem contact met ons op!
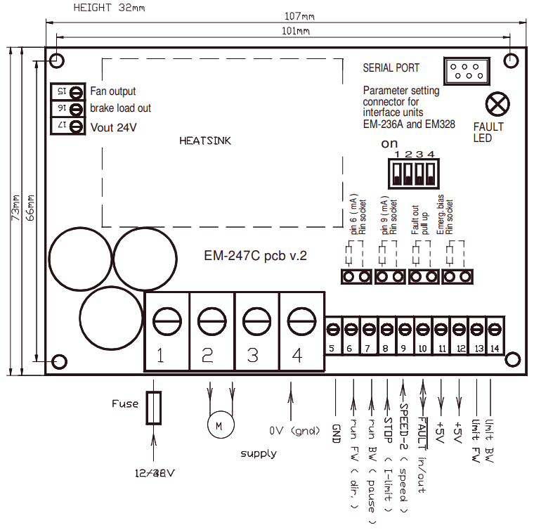
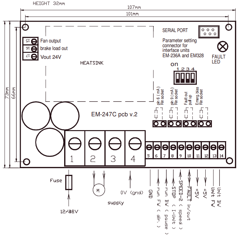
EM-362