Bedankt voor uw keuze
Product is toegevoegd aan de offertemap!

Product is toegevoegd aan de offertemap!
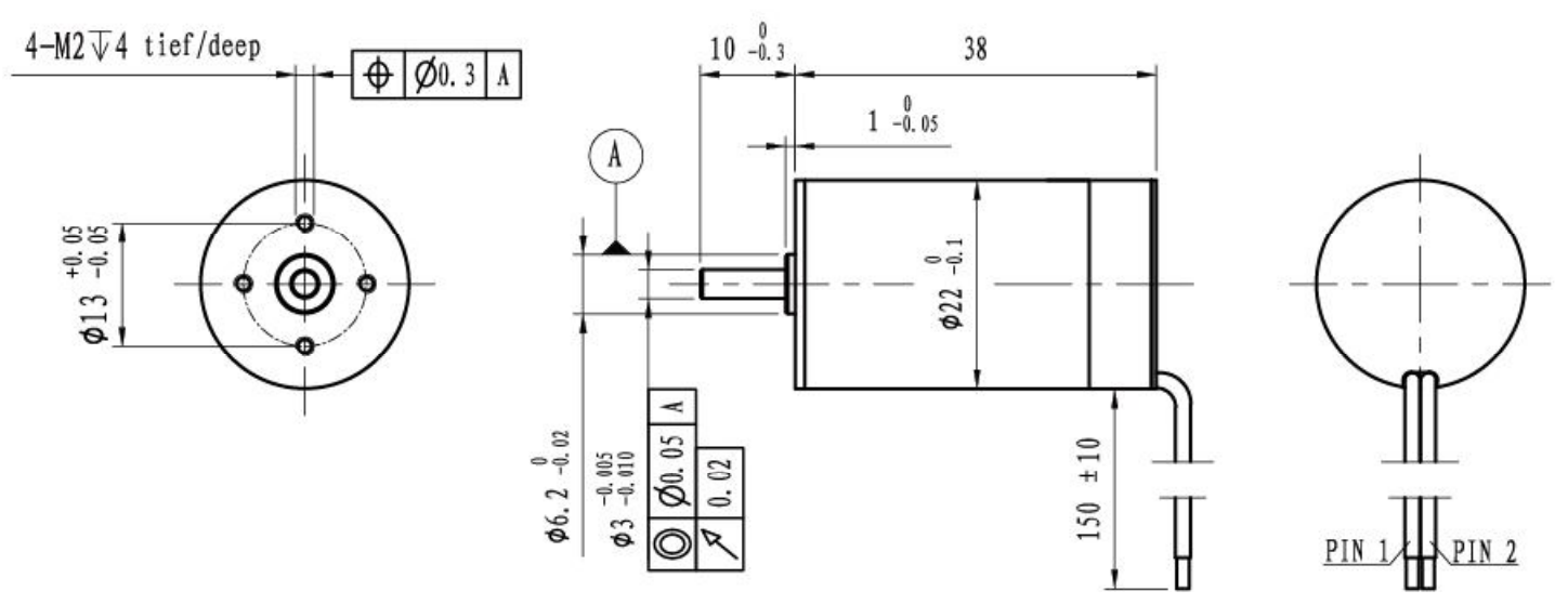
Voor het kopen van een dc motor bent u bij Zilvertron B.V. aan het juiste adres. Wij beschikken over een ruim assortiment aan dc motoren, en de kennis om het juiste product voor uw toepassing te vinden. DC motoren, ook wel gelijkstroommotor genoemd, is een veel gebruikt type motor in industriële toepassingen. Met een ruim scala aan dc borstel, dc borstelloos en frameless dc motoren heeft Zilvertron de oplossing voor uw toepassing! De dc motor 12v en dc motor 24v zijn populaire oplossingen, maar zijn een fractie van onze mogelijkheden. Meer informatie over het gebruik van dc motoren en waarom u een DC motor zou kunnen gebruiken leest u hier.
ECD2452S-1207